AN-TSC/T series dynamic switching switches are designed for dynamic and fast compensation of 0.22~0.69KV power capacitors. It is mainly applicable to the electric load site that requires quick switching capacitors for impact loads, such as welding machines, steel rolling, port cranes, elevators, variable frequency furnaces and other rapidly changing loads. The dynamic switching switch adopts high-speed CPU measurement and control, high isolation photocoupler trigger, with multiple protection schemes (current protection and temperature protection) and fast switching technology, to ensure that the trigger module control thyristor is switched on for voltage crossing zero, current crossing zero disconnect, and no closing inrush current. Remote service function, the use of RJ45 communication control, standard connector connection, as long as there is a network, the use of mobile phones/tablets/computers to log in to the cloud, can access, switch power running time, running times, current, operating efficiency and other information.
Type Explanation
Type | Description | Product Specification |
AN-TSC2/T | Three phase cocomplement type | 30Kvar,40Kvar,50Kvar,60Kvar |
AN-TSC3/T | Single-phase complement type | 10Kvar,13.4Kvar,16.7kvar,20Kvar (Individual capacity) |
Note: T is with communication function and can be connected by RJ45 communication interface.
Outline mounting dimension
Outline mounting dimension 140×181×192mm(L*W*H) Mounting hole dimensions: 6-M6mm.

Reference wiring diagram
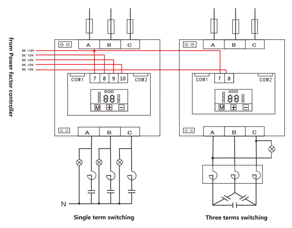
The dynamic switch has two control and drive modes. The network cable driver or the 12V DC driver can only be selected.
1.Cable connection diagram of the dynamic switch driven by network cables

2 Wiring diagram of the dynamic switching switch driven by 12V DC voltage

| Working voltage | 220V, 380V,690V±20%/50Hz. Other different voltages must be mentioned at the time of ordering |
| Response speed | ≤20ms |
| Control mode | 12V/DC, 10mA |
| Communication interface | RJ45 network interface |
| Ambient temperature range | -25 ° C to +65 ° C |
| Relative humidity | 20%~70% |
| Overcurrent protection The value ranges | 0 to 99A |